Create sketch
The sketch is the original model of the parametric view of the object.
When creating parametric objects, the commands of the “MechWizard” toolbar are used.
Procedure
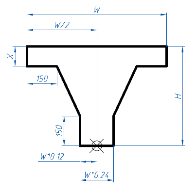
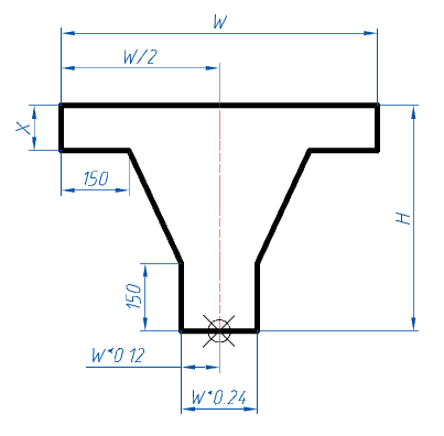
1. Prepare a sketch. For correct recognition, all graphic elements of the sketch (including hatching) must be drawn with the appropriate linetype. Similar types (solid thick and thin, dash-dotted thin and thick) should be distinguished by the color set in the nanoCAD Construction settings.
2. Set the insertion point, optionally specify the axis of symmetry, sketch element options, suppression contour, hatch contour and paramentric array.
3. Dimension and assign variables and expressions to them.

4. Enter additional parameters as needed.
5. Check the sketch and make sure there are no errors.








Post your comment on this topic.